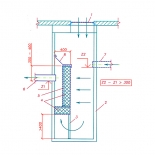
Устройство и принцип работы
Фильтрующий модуль ФМС «Квант Минерал» изготавливается из сварной конструкции химически стойкого материла. Для дополнительной защиты и увеличения срока службы, стенки устройства, контактирующие с водой, покрываются антикоррозийным средством.
Технически устройство обеспечивает водоочистку производственных стоков от нефтепродуктов и взвешенных веществ. Сам процесс очистки происходит в боковой и нижней поверхности модуля. В результате установка обеспечивает высокие показатели очистки; по взвешенным веществам – до 10 мг/л, по нефтепродуктам – до 0,3 мг/л.
Условное обозначение
Фильтрующий модуль ФМС «Квант Минерал», где ФМС: Ф – фильтрующий; М – модуль; С – сорбционный.
Особенности и преимущества
- Максимальный показатель водоочистки от нефтепродуктов – до 0,3 мг/л;
- Максимальный показатель водоочистки от взвешенных веществ – до 10 мг/л;
- Автоматическая система управления и контроля;
- Долгосрочное использование.
Размещение и установка
Размещение и монтаж фильтрующего модуля ФМС «Квант Минерал» производится исключительно специалистами, имеющими разрешение на проведение данных работ. Установка производится на железобетонный канализированный колодец.
Эксплуатация и техническое обслуживание
Фильтрующий модуль ФМС «Квант Минерал» не требует специальной эксплуатации, кроме периодической замены фильтров. Их замена может производиться в ходе сервисного обслуживания.








